There are many good reasons to optimise indoor climate in schools and institutions; a good and healthy indoor climate enhances learning, well-being and satisfaction of children and young people who spend the vast majority of a day in schools and institutions.
In line with an increased focus on the above, and also legal requirements such as CO2 levels in the classroom and higher airtightness in buildings, this places high demands on mechanical ventilation to provide a healthy indoor air quality.
In addition, today there is a great need for the possibility to cool down the temperature in a room to provide an adequate thermal comfort.
With an AM 1000 from Airmaster, you can now have both; a healthy indoor climate with our decentralized ventilation systems, combined with the option of cooling the room temperature, so you also stay comfortable on hot days.
Effecient cooling module for the AM 1000


Efficient cooling - without noise nuisance

The RC 1000 is a cooling module for the AM 1000, where a cooling surface is supplied with chilled liquid from an external supply.
The RC 1000 has a cooling capacity of up to 7kW, which means that in the vast majority of rooms where an AM 1000 is installed, it can maintain a comfortable indoor temperature. The unit connects to the usual Airmaster controller, which allows you to set the desired default supply air temperature and maximum acceptable indoor temperature.
The RC 1000 is designed so that the pressure drop is so low that the AM 1000 continues to deliver 950 m³/h at 30 dB(A). This means that the sound level of the ventilation system remains exactly the same as the AM 1000 already has.
RC 1000 dimentional drawing

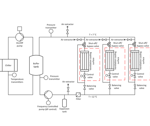
Schematic diagram

The system can be designed according to individual needs, which means that it is only the size of the chiller that determines how many units can be connected.
NB: The illustration below is only an example and cannot be used in practice. The example shows a system with a 3 pcs. AM 1000 units.
Variations RC 1000
The 4 versions shown are examples
RC 1000 HHTT WCS
RC 1000 VVBB WCT
RC 1000 HREHRE BB WCT
RC 1000 S1S2 TT RC WCS
Product catalogue 6.0
Sign up! - You will then receive Airmaster's latest product catalogue.

Contact sales export

Claus Pasgaard
Area Sales Manager
Contact us if you want to know more about decentralized ventilation
Our competent sales team is ready to answer your questions and advise you on everything from dimensioning, configuration, installation, and planning - so you can find just the right unit for your needs.
